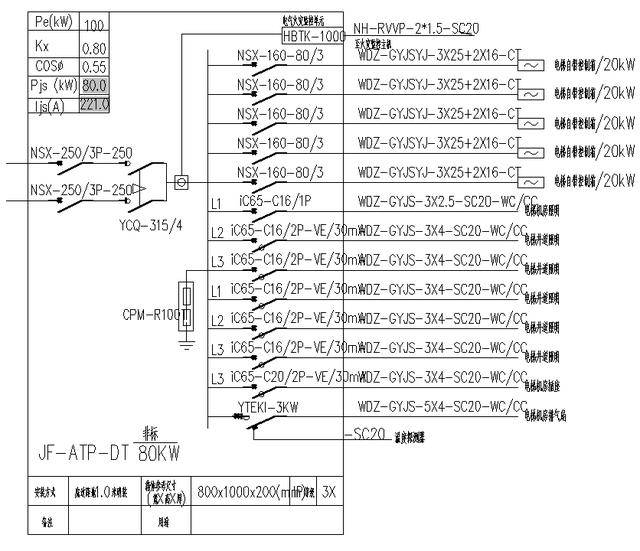
配电箱一次系统图首先,我们来看看下面的配电箱一次系统图。这是一个非标准的配电箱,配电箱号为JF-ATP-DT,配电箱的尺寸为800宽*1000高*200深。配电箱底边距地面1米,明装。

配电箱一次系统图
配电箱参数的认识你知道图中的Pe,Kx,COSφ,pjs,Iis是什么意思吗?他们之间是什么关系?让我们一起学习。Pe指配电箱的额定功率,Kx为需求系数,cosO为功率因数,Pjs为计算功率,Ijs为计算电流;参数之间的关系:PJS = KX * PE = 0.8 * 100 = 80 kW
IJS = PJS/(1.732 * Ue * cosφ)= 80/(1.732 * 0.38 * 0.55)= 221,其中Ue为配电箱的额定电压。
配电箱系统图的认识图中双电源上端的两个NSX-250/3P-250A是两个塑壳断路器。配电箱为双电源进线,一条线为市电,一条线为发电机。YCQ-315/4是双电源的型号,4极315 a;;双电源用于实现市电和发电机电源之间的转换,两种电源互为备用;CPM-R100是一个电涌保护器,或电涌保护器;其作用是将雷电浪涌电流快速泄入地下,从而保护电气设备免受雷击。它能有效吸收突发的巨大能量,保护连接设备不受损坏。NSX-160-80/3是出线处的塑壳断路器,IC65是出线处的小型断路器,也叫微型断路器;WDZ-GYJSYJ-3x 25+2x 16-CTWDZ-GYJS(F)为低烟无卤交联聚烯烃绝缘线,3×25为三根25mm线ABC三相火线,2× 16为两根16mm线,一根N线,一根PE线;CT-沿电缆槽敷设;WDZ-GYJS-3 x4-SC20-WC/CC3×4是三根4mm线,L火线,N零线,PE地线;CC-表示埋在屋顶或屋顶
WC-表示埋在墙里。HBTK-1000代表电气火灾监控装置,由电气火灾监控模块和剩余电流互感器组成。顾名思义,它起着电气设备火灾监控的作用;YTEKI-3KW是控制和保护开关。从图中我们可以看到,它控制着电梯间的排气扇。
如何看懂配电箱一次图纸首先,要理解电气一次图,首先要知道电气元件的图形符号和字母符号,因为电气一次图主要是由电气元件的图形符号组成的。其次,我们还需要了解电气元件的功能和工作原理,这样才能充分了解电气一次系统图;当然,除了这些,我们还需要知道线缆的类型和线缆敷设方式的字母表示;配电箱安装方式,配电箱参数等。;只有这样才能理解图纸中的所有内容;备注:如有疑问,请在下方留言。边肖看过后会给你一个答案。欢迎转发。谢谢你。