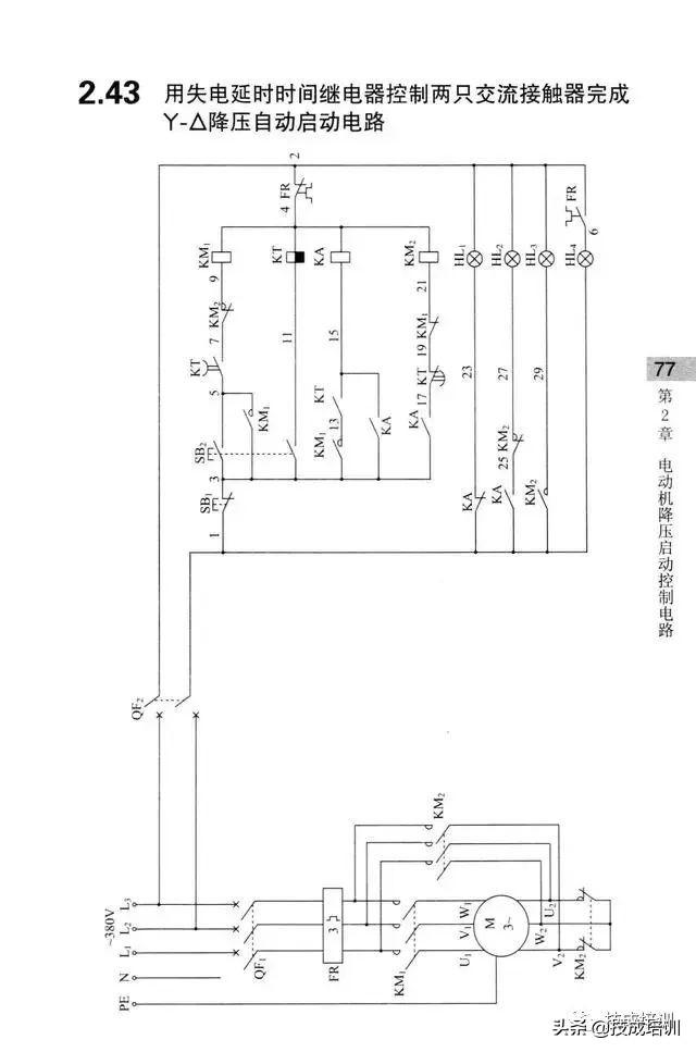
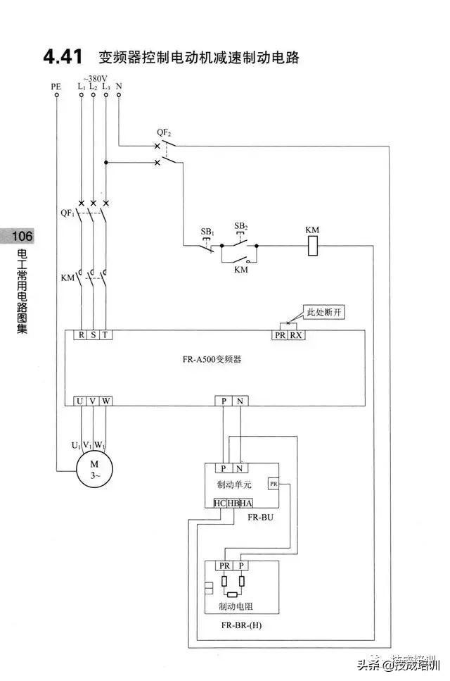
这些控制电路都是380V,实际中也可能有220V、110V、36V、24V等等。有的也有交流直流之分,在这里就不一一细说了,大家可以看到这些图后,举一反三。
    
    
    
    
    

    
    
    
    
    
    
    
    
    
    
    
    
    
    
    
    
    
    
    
    
    
    
    
    
    
    
    
    
    
    
    
    
    
    
    
    
    
    
    
    
    
    
    
    
    
    
    
    
    
    
    
    
    
    
    
    
    
    
    
    
    
    
    
    
    
    
    
    
    
    
    
    
    
    
    
    
    
    
    
    
    
    
    
    
    
    
    
    
    
    
    
    
    
    
    
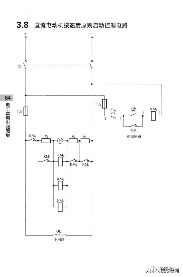
这些控制电路都是380V,实际中也可能有220V、110V、36V、24V等等。有的也有交流直流之分,在这里就不一一细说了,大家可以看到这些图后,举一反三。
    
    
    
    
    

    
    
    
    
    
    
    
    
    
    
    
    
    
    
    
    
    
    
    
    
    
    
    
    
    
    
    
    
    
    
    
    
    
    
    
    
    
    
    
    
    
    
    
    
    
    
    
    
    
    
    
    
    
    
    
    
    
    
    
    
    
    
    
    
    
    
    
    
    
    
    
    
    
    
    
    
    
    
    
    
    
    
    
    
    
    
    
    
    
    
    
    
    
    
    